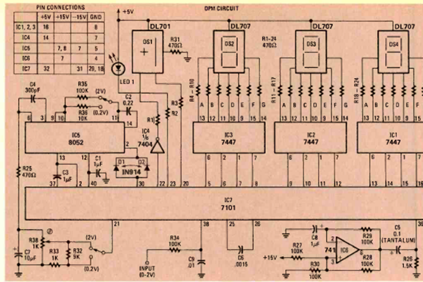
Este circuito es de un artículo de la revista Radio Electronics de marzo de 1978 que enseñaba cómo montarlo. El circuito está basado y alimentado por TTL. Los componentes utilizados todavía se pueden encontrar.
Si usted tiene un radito de dos pilas pequeñas es una manera de alimentarlo con energía solar de...
Con este circuito podremos obtener bajas tensiones continuas para experimentos simples sin la...
La finalidad de este circuito es generar una señal que puede ser captada entre los canales 2 y 5...