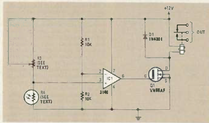
A diferencia del circuito anterior, este se activa cuando la temperatura desciende por debajo del valor establecido. El circuito es de la revista Radio Electronics de junio de 1986.
El circuito mostrado en la figura 1 combina señales de dos frecuencias pudiendo ser empleado en...
Samuel Morse fue el inventor del telégrafo, que es un sistema eléctrico de comunicaciones, capaz de...
El temporizador que presentamos tiene su ajuste de tiempo hecho a través de un potenciómetro de 1...