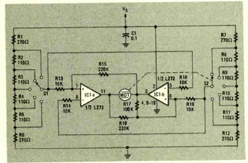
Este control de motor de CC utiliza un amplificador operacional de potencia. Lo encontramos en la revista Radio Electronics de diciembre de 1984. El amplificador debe montarse sobre un radiador de calor y la corriente máxima es 1 A.
Si usted tiene un radito de dos pilas pequeñas es una manera de alimentarlo con energía solar de...
Con este circuito podremos obtener bajas tensiones continuas para experimentos simples sin la...
La finalidad de este circuito es generar una señal que puede ser captada entre los canales 2 y 5...