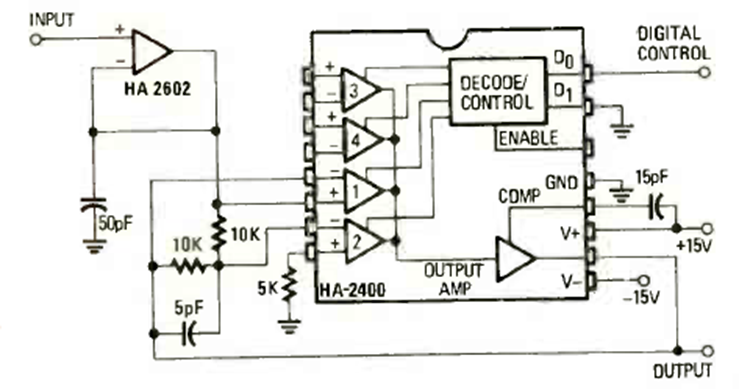
El circuito también funciona como rectificador sincronizado y modulador balanceado. Lo encontramos en la revista Radio Electronics de marzo de 1980. Hace uso del HÁ-2400, lanzado recientemente en aquel momento.
Si usted tiene un radito de dos pilas pequeñas es una manera de alimentarlo con energía solar de...
Con este circuito podremos obtener bajas tensiones continuas para experimentos simples sin la...
La finalidad de este circuito es generar una señal que puede ser captada entre los canales 2 y 5...