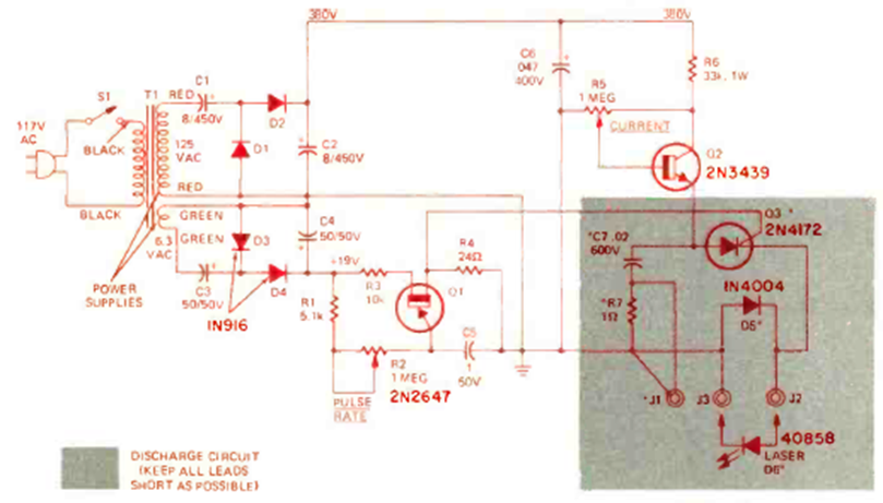
Este es uno de los primeros proyectos de láser de estado sólido. Lo encontramos en la revista Radio Electronics de junio de 1972. El circuito incluye la fuente de alimentación y el artículo describe varios experimentos.
La fuente de alimentación de 5 V con capacidad de corriente de hasta 1,5 A, mostrada en la figura...
Este relé dispara cuando incide la luz en el LDR y así permanece aunque la luz sea un pulso de...
El circuito presentado en la figura 1 posibilita el control de motores de corriente continua de varios...