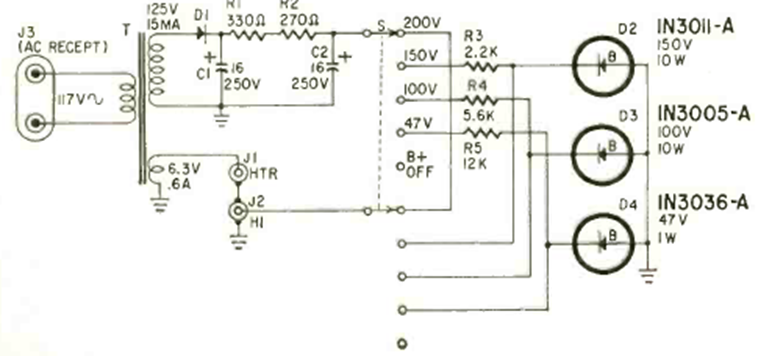
Este circuito se obtuvo de la revista Radio Electronics en julio de 1970. Los Zerners son tipos de potencia que pueden suministrar una buena corriente al circuito. La selección se realiza mediante interruptor rotativo.
Este circuito detector de radiación atómica utiliza un diodo como sensor. El componente captura la...
Este circuito es un capacitor variable controlado digitalmente. Lo encontramos en la documentación...
La señal de activación de este circuito es un tono de audio. Se pueden utilizar tonos de hasta 100 kHz....