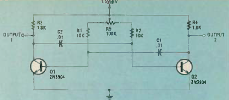
Este circuito común es de Radio Electronics de septiembre de 1984. Los transistores son de propósito general y la frecuencia la dan los condensadores.
La fuente de alimentación de 5 V con capacidad de corriente de hasta 1,5 A, mostrada en la figura...
Este relé dispara cuando incide la luz en el LDR y así permanece aunque la luz sea un pulso de...
El circuito presentado en la figura 1 posibilita el control de motores de corriente continua de varios...