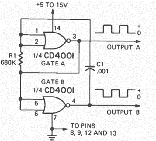
Encontramos este circuito en la revista Radio Electronics de noviembre de 1974. La frecuencia depende de C1, que se puede cambiar hasta el límite de oscilación del IC de alrededor de 7 MHz a 10 V.

Encontramos este circuito en la revista Radio Electronics de noviembre de 1974. La frecuencia depende de C1, que se puede cambiar hasta el límite de oscilación del IC de alrededor de 7 MHz a 10 V.
