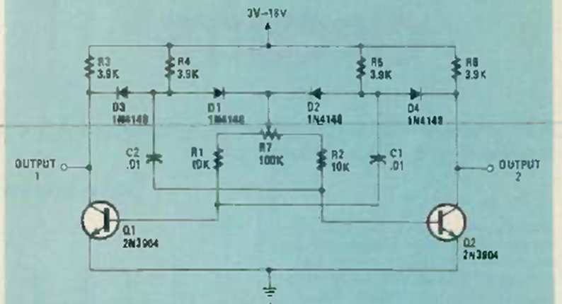
Este circuito fue encontrado en la revista Radio Electronics de septiembre de 1984. La frecuencia la dan los capacitores. Los diodos ayudan en el proceso de arranque.
Si usted tiene un radito de dos pilas pequeñas es una manera de alimentarlo con energía solar de...
Con este circuito podremos obtener bajas tensiones continuas para experimentos simples sin la...
La finalidad de este circuito es generar una señal que puede ser captada entre los canales 2 y 5...