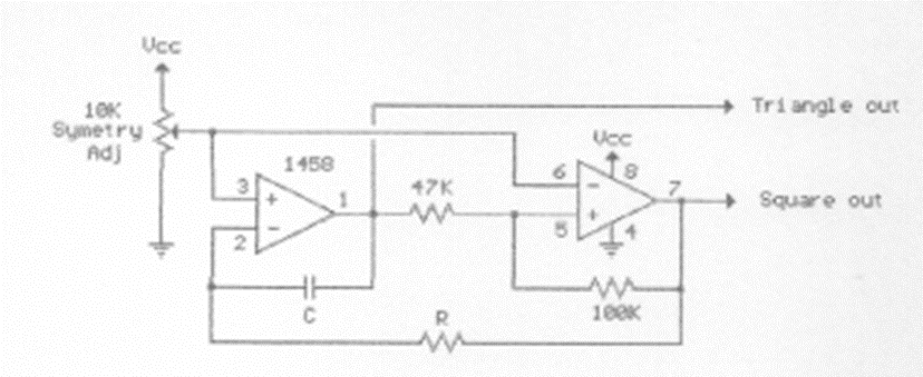
Este circuito genera señales rectangulares y triangulares de hasta unos pocos megahertz. El circuito procede de documentación de los años 90. El límite de frecuencia está determinado por los componentes utilizados. C puede tener valores típicamente entre 1 y 100 nF.




