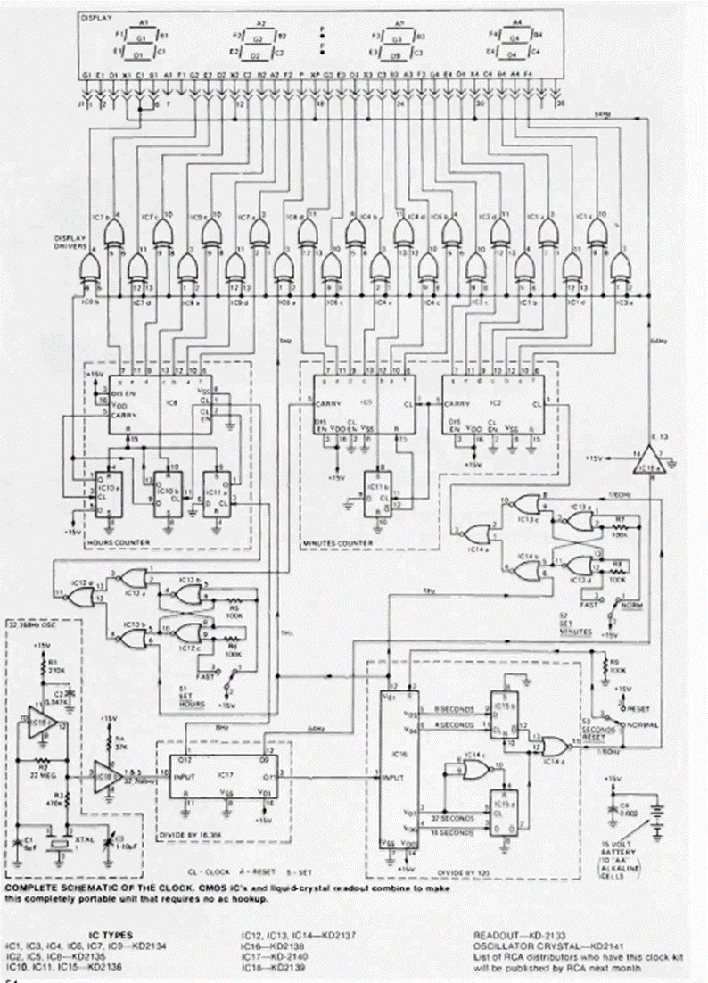
Este circuito basado en lógica CMOS se encontró en la revista Radio Electronics de abril de 1974. El circuito se basa en un display indicador de la época y tiene indicaciones de horas y minutos.
Si usted tiene un radito de dos pilas pequeñas es una manera de alimentarlo con energía solar de...
Con este circuito podremos obtener bajas tensiones continuas para experimentos simples sin la...
La finalidad de este circuito es generar una señal que puede ser captada entre los canales 2 y 5...