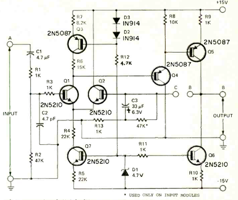
Este amplificador de buena potencia, unas decenas de watts, forma parte de un artículo de la revista Radio Electronics de diciembre de 1972. La alimentación debe ser simétrica con al menos 3 A.
Si usted tiene un radito de dos pilas pequeñas es una manera de alimentarlo con energía solar de...
Con este circuito podremos obtener bajas tensiones continuas para experimentos simples sin la...
La finalidad de este circuito es generar una señal que puede ser captada entre los canales 2 y 5...