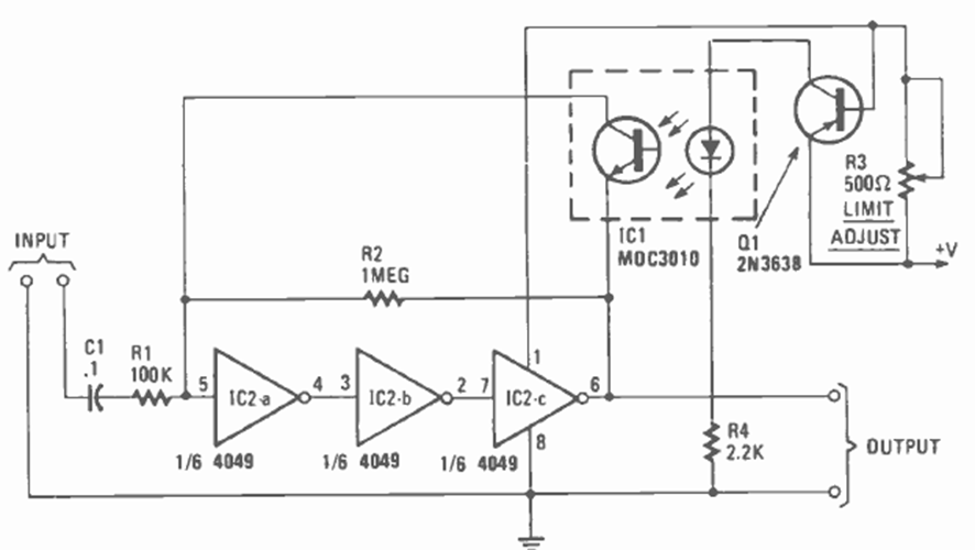
Este circuito es una continuación del anterior, sirviendo como protector contra sobrecargas en amplificadores. El circuito apareció en un artículo de la revista Radio Electronics en enero de 1985.
Si usted tiene un radito de dos pilas pequeñas es una manera de alimentarlo con energía solar de...
Con este circuito podremos obtener bajas tensiones continuas para experimentos simples sin la...
La finalidad de este circuito es generar una señal que puede ser captada entre los canales 2 y 5...