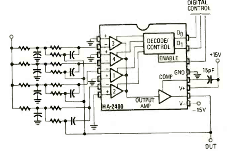
A través de control digital, este circuito activa los filtros de entrada que tienen las frecuencias seleccionadas por sus componentes. El circuito es de una Radio Electronics de marzo de 1980. El circuito integrado es el HA2400.
La fuente de alimentación de 5 V con capacidad de corriente de hasta 1,5 A, mostrada en la figura...
Este relé dispara cuando incide la luz en el LDR y así permanece aunque la luz sea un pulso de...
El circuito presentado en la figura 1 posibilita el control de motores de corriente continua de varios...