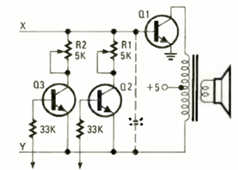
Este sencillo circuito Hartley puede generar dos tonos dependiendo del ajuste de los trimpots. El transistor puede ser cualquier transistor de propósito general. Lo encontramos en Radio Electronics de enero de 1979.

Este sencillo circuito Hartley puede generar dos tonos dependiendo del ajuste de los trimpots. El transistor puede ser cualquier transistor de propósito general. Lo encontramos en Radio Electronics de enero de 1979.
