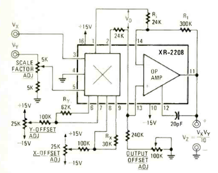
Este circuito de aplicación XR2208 se encontró en la revista Radio Electronics de abril de 1978. El circuito debe alimentarse con una tensión de 15 V y existe un ajuste de compensación.
Si usted tiene un radito de dos pilas pequeñas es una manera de alimentarlo con energía solar de...
Con este circuito podremos obtener bajas tensiones continuas para experimentos simples sin la...
La finalidad de este circuito es generar una señal que puede ser captada entre los canales 2 y 5...