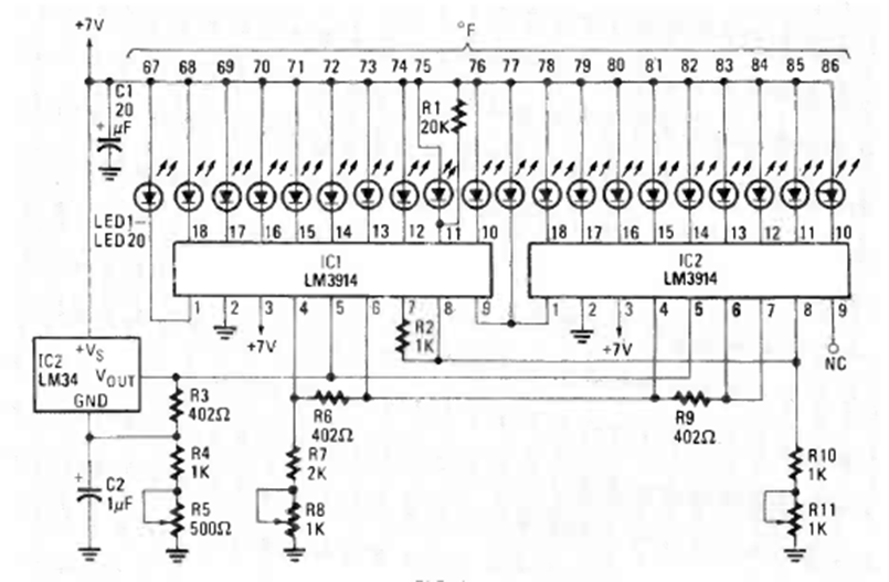
Este circuito de gráfico de barras fue encontrado en la revista Radio Electronics de enero de 1986. Está basado en el conocido LM3914 y tiene dos de ellos en cascada accionando un buen número de LED.
Este circuito se encontró en la documentación de General Electric de 1967. Los componentes son de esa...
Encontrado en una Popular Electronics de los años 90, este circuito utiliza un 741 para generar...
Este circuito es de una Electronics Now de los años 90. Utiliza un circuito integrado de potencia de...