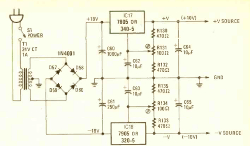
Este circuito fue encontrado en la revista Radio Electronics de marzo de 1979. Los circuitos integrados deben estar equipados con disipadores de calor. La corriente máxima es 1 A.
Si usted tiene un radito de dos pilas pequeñas es una manera de alimentarlo con energía solar de...
Con este circuito podremos obtener bajas tensiones continuas para experimentos simples sin la...
La finalidad de este circuito es generar una señal que puede ser captada entre los canales 2 y 5...