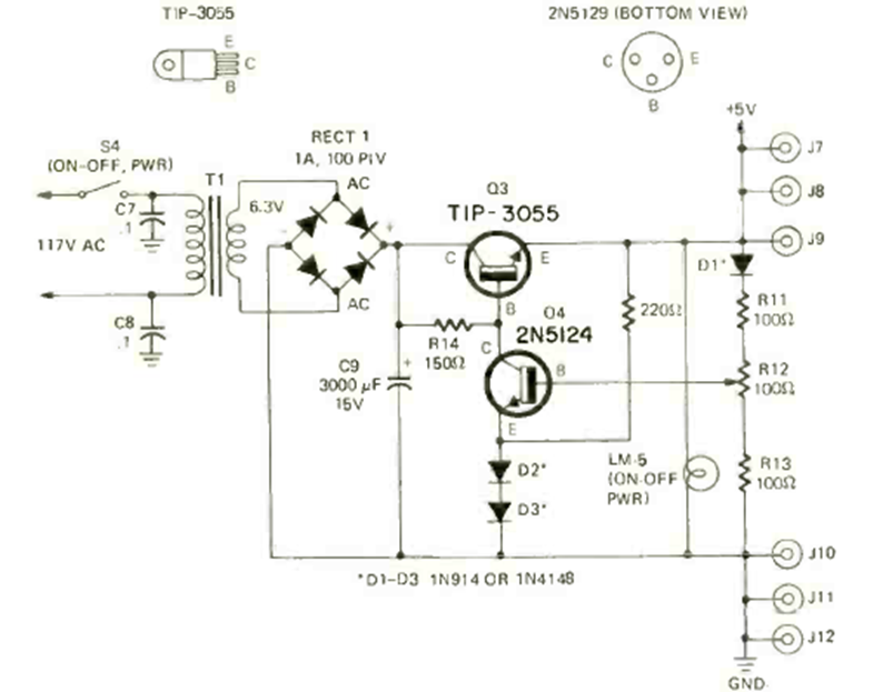
Encontramos este circuito fuente TTL en la revista Radio Electronics de diciembre de 1972. El circuito utiliza un transformador de 1 A y el transistor 2N3055 debe estar equipado con un buen disipador de calor.
La fuente de alimentación de 5 V con capacidad de corriente de hasta 1,5 A, mostrada en la figura...
Este relé dispara cuando incide la luz en el LDR y así permanece aunque la luz sea un pulso de...
El circuito presentado en la figura 1 posibilita el control de motores de corriente continua de varios...