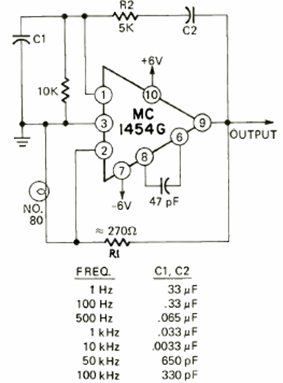
Este circuito para frecuencias de 1 Hz a 100 kHz se encontró en la revista Radio Electronics de junio de 972. C1 y C2 dependen de la frecuencia. El operacional podría ser un 741.

Este circuito para frecuencias de 1 Hz a 100 kHz se encontró en la revista Radio Electronics de junio de 972. C1 y C2 dependen de la frecuencia. El operacional podría ser un 741.
