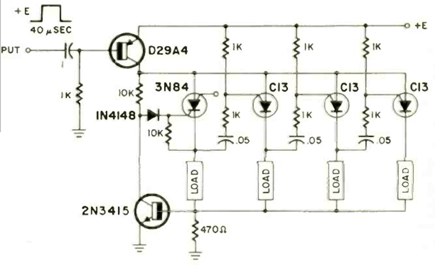
Este circuito cuenta digitalmente los pulsos de entrada. El circuito de radioelectrónica de noviembre de 1970 utiliza transistores unijuntura programables. Tenga en cuenta la duración de los pulsos contados.
Este circuito se encontró en la documentación de General Electric de 1967. Los componentes son de esa...
Encontrado en una Popular Electronics de los años 90, este circuito utiliza un 741 para generar...
Este circuito es de una Electronics Now de los años 90. Utiliza un circuito integrado de potencia de...