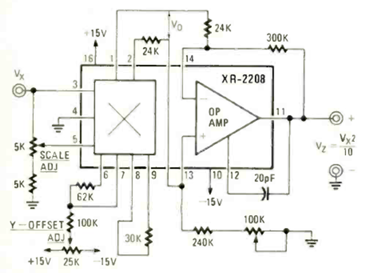
Este circuito con el XR2206 eleva al cuadrado el valor de un voltaje. El circuito fue publicado en la revista Radio Electronics en abril de 1978 y debe ser alimentado por una fuente simétrica de 15 V.
Este circuito se encontró en la documentación de General Electric de 1967. Los componentes son de esa...
Encontrado en una Popular Electronics de los años 90, este circuito utiliza un 741 para generar...
Este circuito es de una Electronics Now de los años 90. Utiliza un circuito integrado de potencia de...