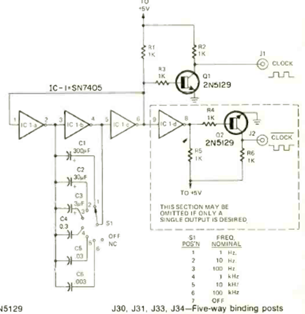
Encontramos este circuito en la revista Radio Electronics de diciembre de 1972. Genera señales en 6 bandas de frecuencia, lo que lo hace adecuado para aplicaciones experimentales con circuitos TTL.

Encontramos este circuito en la revista Radio Electronics de diciembre de 1972. Genera señales en 6 bandas de frecuencia, lo que lo hace adecuado para aplicaciones experimentales con circuitos TTL.
