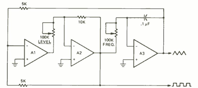
Hallado en la revista Radio Electronics de junio de 1972, este circuito genera señales que dependen del ajuste y pueden alcanzar los 20 kHz. Los amplificadores operacionales son tipos de propósito general como el 741.
En la figura tenemos un circuito biestable que acciona LEDs de toques de aleación y desconecta datos...
Es un instrumento de utilidad para quien trabaja con la red eléctrica como, por ejemplo,...
Como hemos visto, el circuito integrado 555 es uno de los temporizadores más populares y encuentra...