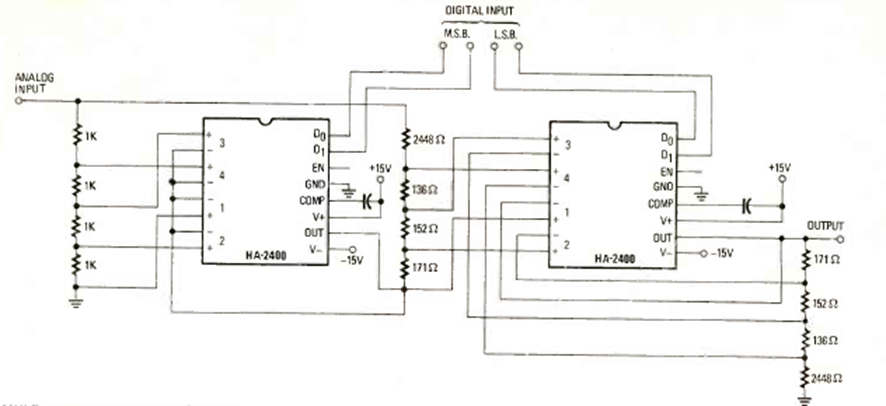
Este circuito convertidor de digital a analógico se encontró en la revista Radio Electronics de marzo de 1980. La fuente de alimentación debe ser simétrica y los controles digitales pueden ser TTL.
Este circuito genera señales rectangulares ricas en armónicos para pruebas de circuitos de audio...
En el circuito de la figura tenemos una aplicación de un transistor como oscilador. Para ello,...
Describimos el montaje de un transmisor didáctico sin bobinas en una matriz de contactos de 170...