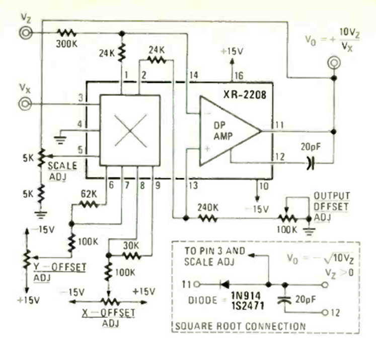
Este circuito divide el valor de una tensión por el valor de otro. El circuito utilizado en computación analógica se encontró en la revista Radio Electronics de abril de 1978. La fuente de alimentación debe ser simétrica.
El circuito de la figura es muy interesante ya que simula un SCR disparado por la luz. Cuando la...
Cuando alguien que ingresa a una ubicación abre uno de los sensores conectados a la puerta SOR, el...
Este circuito simple da un efecto de luz interesante para su equipo de sonido. En la salida al...