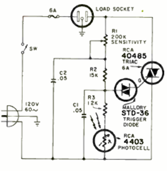
Este circuito para lámparas incandescentes fue encontrado en la revista Radio Electronics de febrero de 1972. El triac es según la potencia de la lámpara y el ajuste de sensibilidad se realiza en R1.

Este circuito para lámparas incandescentes fue encontrado en la revista Radio Electronics de febrero de 1972. El triac es según la potencia de la lámpara y el ajuste de sensibilidad se realiza en R1.
