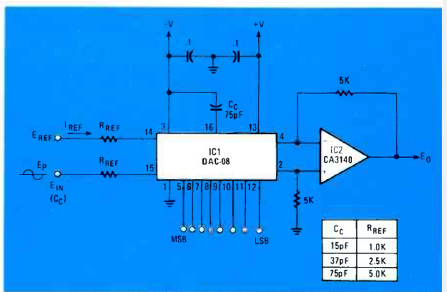
Al utilizar un circuito integrado DAC08, este circuito requiere una fuente de alimentación simétrica. Lo encontramos en la revista Radio Electronics de mayo de 1983. Tenga en cuenta que los valores de los componentes se dan en la tabla.
Este circuito genera señales rectangulares ricas en armónicos para pruebas de circuitos de audio...
En el circuito de la figura tenemos una aplicación de un transistor como oscilador. Para ello,...
Describimos el montaje de un transmisor didáctico sin bobinas en una matriz de contactos de 170...