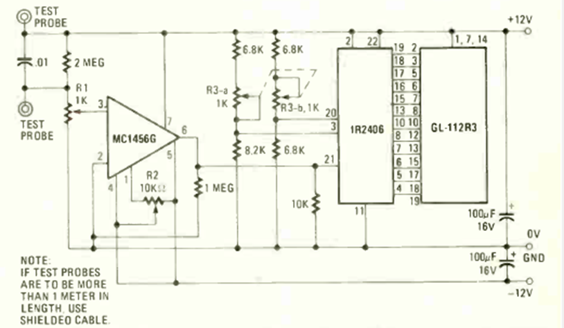
Encontramos este circuito en la revista Radio Electronics de octubre de 1979. Utiliza un indicador de gráfico de barras 7016, pero se pueden emplear otros equivalentes. R2 realiza el ajuste de compensación o nulo del amplificador operacional.
En la figura tenemos un circuito biestable que acciona LEDs de toques de aleación y desconecta datos...
Es un instrumento de utilidad para quien trabaja con la red eléctrica como, por ejemplo,...
Como hemos visto, el circuito integrado 555 es uno de los temporizadores más populares y encuentra...