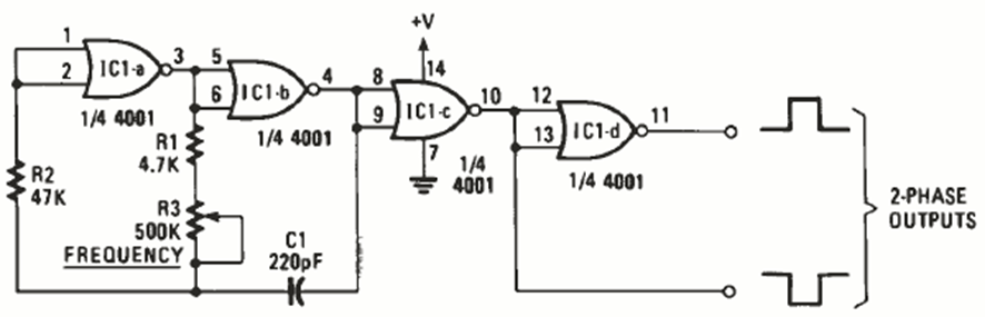
Esta es una configuración de oscilador común que genera señales rectangulares en oposición de fase. Este circuito es de una Radio Electronics de octubre de 1986.
Este circuito genera señales rectangulares ricas en armónicos para pruebas de circuitos de audio...
En el circuito de la figura tenemos una aplicación de un transistor como oscilador. Para ello,...
Describimos el montaje de un transmisor didáctico sin bobinas en una matriz de contactos de 170...