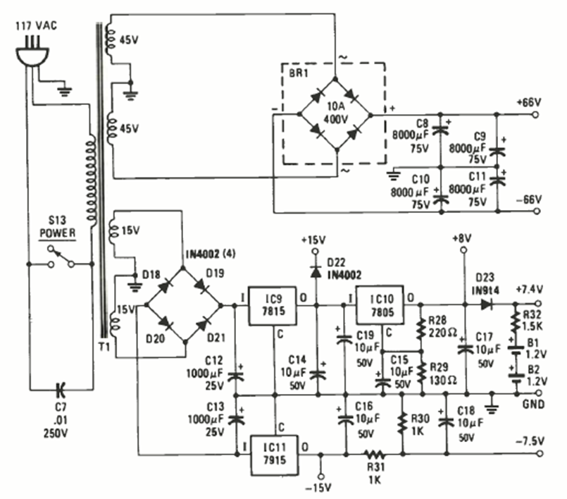
Esta es la fuente de alimentación del amplificador del circuito anterior. Los reguladores de tensión deben estar equipados con un disipador de calor y el transformador debe ser de alta corriente.
Las personas que viven cerca de las estaciones de radio de la banda de ondas medias pueden sufrir el...
El proyecto presentado consiste en un simple relé de luz que acciona un relé cuando la luz incide...
Muchas cosas interesantes se pueden hacer con relés, y un ejemplo de ello es un circuito de...