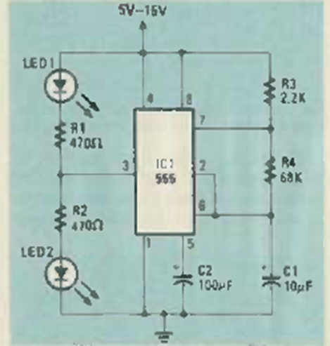
Este pulsador se encontró en la revista Radio Electronics de septiembre de 1984. La frecuencia la dan los resistores y C1. Los LED parpadean alternativamente.

Este pulsador se encontró en la revista Radio Electronics de septiembre de 1984. La frecuencia la dan los resistores y C1. Los LED parpadean alternativamente.
