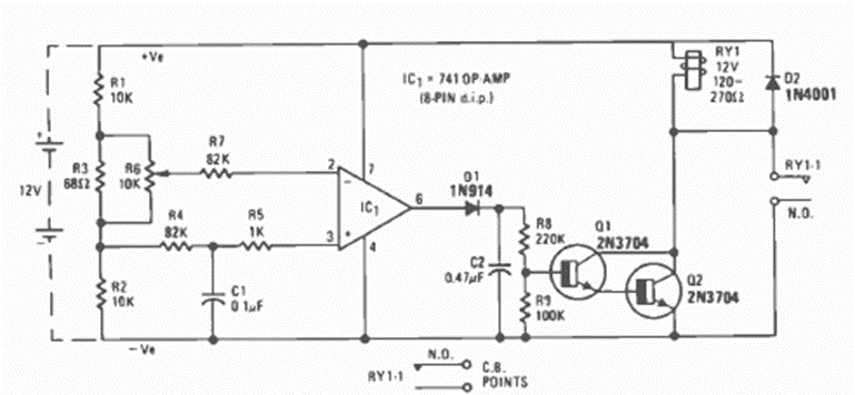
Recomendado para aplicaciones de alarma, este circuito se encontró en la revista Radio Electronics de diciembre de 1976. El circuito es para aplicaciones en automóviles de 12 V.
Con este circuito es posible aumentar la tensión de salida de un regulador 7812. El circuito es de una...
Encontramos este circuito en una Popular Electronics de los años 80. El rango de frecuencia depende...
Este circuito comparador tiene como realimentación un diodo pudiendo funcionar con tensiones entre 5 y 12...