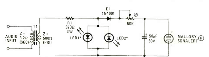
Este sencillo circuito, conectado a la salida del altavoz de una radio AM fuera de la estación, detecta los chasquidos que se producen debido a las descargas atmosféricas. El circuito fue sugerido por un artículo de la revista Radio Electronics de marzo de 1980.




