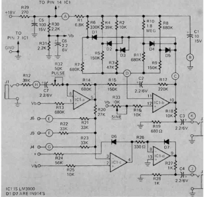
Este circuito para efectos musicales y sintetizadores se encontró en una radioelectrónica de junio de 1974. El circuito también consta de un modulador de ancho de pulso.
Este circuito tiene una sensibilidad de 2 uW. Lo encontramos en una documentación de la década de 1980....
En la figura tenemos un circuito de micropotencia con sólo 3 uA de corriente quiescente. La...
Este circuito se encontró en una Nota de aplicación de Linear Technology de los años 90. La fuente...