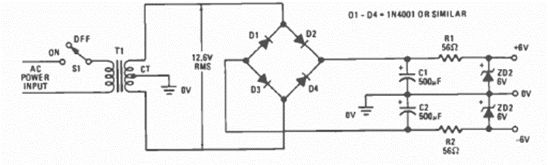
Este circuito lo encontramos en la revista Radio Electronics de mayo de 1977. La tensión del transformador es de 6+6 V y la corriente depende de los diodos zener, siendo del orden de 100 a 200 mA.
El TDA7053 consta de un amplificador estéreo clase B, formado por dos amplificadores conectados en puente...
Este circuito genera alta tensión para el disparo de una lámpara de xenón. Encontramos esta...
Este temporizador de amplio rango fue encontrado en la edición de julio de 1994 de la revista...