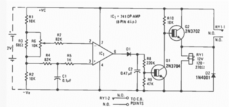
Recomendado para aplicaciones de alarma, este circuito es una modificación del anterior. Lo encontramos en la revista Radio Electronics de diciembre de 1976. El circuito es para coches con baterías de 12 V.
Este circuito tiene una sensibilidad de 2 uW. Lo encontramos en una documentación de la década de 1980....
En la figura tenemos un circuito de micropotencia con sólo 3 uA de corriente quiescente. La...
Este circuito se encontró en una Nota de aplicación de Linear Technology de los años 90. La fuente...