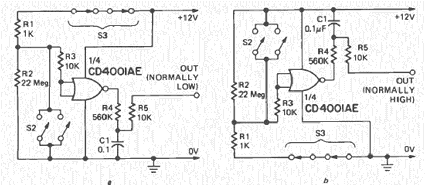
Estos circuitos evitan que suenen los sistemas de alarma. El circuito indicado es para sensores conectados enserie e paralelo.
El circuito de la figura es muy interesante ya que simula un SCR disparado por la luz. Cuando la...
Cuando alguien que ingresa a una ubicación abre uno de los sensores conectados a la puerta SOR, el...
Este circuito simple da un efecto de luz interesante para su equipo de sonido. En la salida al...