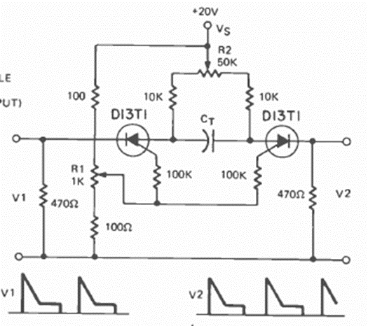
Usando dos PUT, este circuito genera señales como se muestra en la figura. El circuito es de una Radio Electronics de marzo de 1973. Observe la tensión de alimentación del circuito.

Usando dos PUT, este circuito genera señales como se muestra en la figura. El circuito es de una Radio Electronics de marzo de 1973. Observe la tensión de alimentación del circuito.
