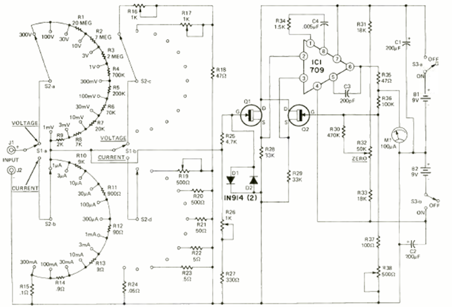
Este multímetro con FET y amplificador operacional 709 fue encontrado en la revista Radio Electronics de julio de 1972. El circuito utiliza dos baterías de 9 V en una fuente simétrica y el indicador es un microamperímetro de 100 uA.
El circuito de la figura es muy interesante ya que simula un SCR disparado por la luz. Cuando la...
Cuando alguien que ingresa a una ubicación abre uno de los sensores conectados a la puerta SOR, el...
Este circuito simple da un efecto de luz interesante para su equipo de sonido. En la salida al...