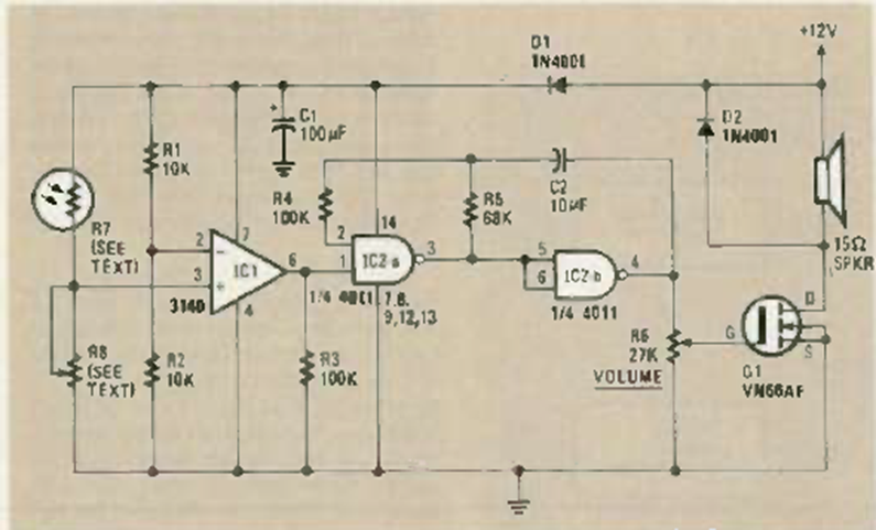
Utilizando el circuito integrado CA3140, este interruptor se encontró en la revista Radio Electronics de junio de 1986. El ajuste de sensibilidad se realiza en el trimpot en serie con el sensor.
Las personas que viven cerca de las estaciones de radio de la banda de ondas medias pueden sufrir el...
El proyecto presentado consiste en un simple relé de luz que acciona un relé cuando la luz incide...
Muchas cosas interesantes se pueden hacer con relés, y un ejemplo de ello es un circuito de...