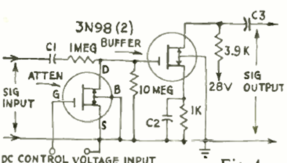
Este circuito tiene su ganancia determinada por el voltaje CC de control. El circuito es de una Radio Electrónica de mayo de 1967. La ganancia se puede ajustar hasta 60 dB o 70 dB de atenuación. Los transistores son MOSFET de la época.

Este circuito tiene su ganancia determinada por el voltaje CC de control. El circuito es de una Radio Electrónica de mayo de 1967. La ganancia se puede ajustar hasta 60 dB o 70 dB de atenuación. Los transistores son MOSFET de la época.
