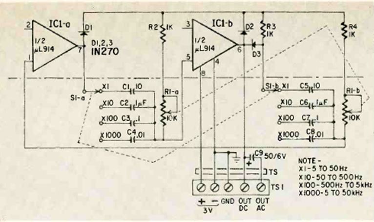
El generador de señales integrado apareció en la revista Radio Electronics en enero de 1968. Los circuitos integrados son de la época y el generador produce señales de 5 Hz a 50 kHz.
La finalidad del circuito de la figura 1 es alimentar una carga con una corriente constante hasta 2 A a...
El circuito que presentamos consiste en una alarma que dispara y se bloquea cuando la luz incide por...
Este circuito enciende y apaga una carga, que en el ejemplo es una lámpara, cuando presionamos por un momento...