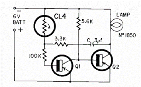
Este circuito publicado en la revista Radio Electronics de noviembre de 1964 alimenta una bombilla, pero puede funcionar con LED de alta potencia. La frecuencia la da el capacitorr. El circuito se activa cuando no hay luz en el sensor.

Este circuito publicado en la revista Radio Electronics de noviembre de 1964 alimenta una bombilla, pero puede funcionar con LED de alta potencia. La frecuencia la da el capacitorr. El circuito se activa cuando no hay luz en el sensor.
