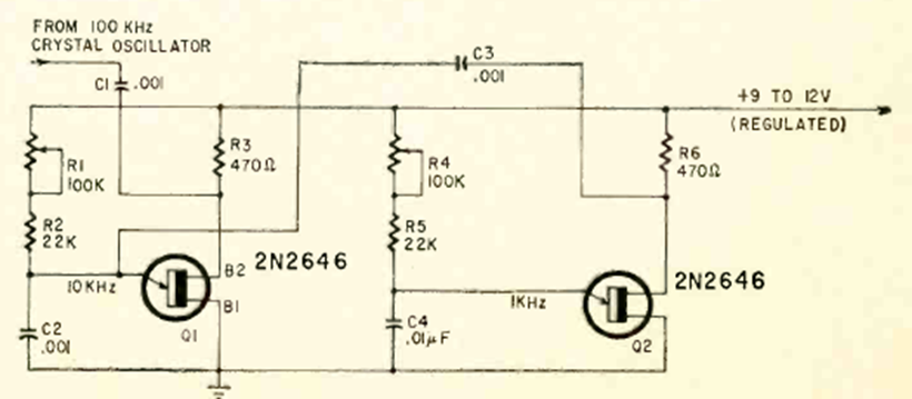
Este circuito de transistor unijuntura es un divisor de frecuencia sincronizado a 100 kHz. El circuito fue encontrado en una Radio Electrónica de julio de 1968. El ajuste de R4 es importante.
La finalidad del circuito de la figura 1 es alimentar una carga con una corriente constante hasta 2 A a...
El circuito que presentamos consiste en una alarma que dispara y se bloquea cuando la luz incide por...
Este circuito enciende y apaga una carga, que en el ejemplo es una lámpara, cuando presionamos por un momento...