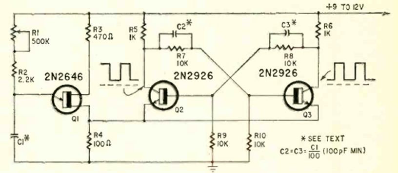
En este circuito, un transistor unijuntura controla un multivibrador que proporciona una señal rectangular con una frecuencia dada por el ajuste de P1 y C1. El circuito es de una Radio Electronics de julio de 1968.
La finalidad del circuito de la figura 1 es alimentar una carga con una corriente constante hasta 2 A a...
El circuito que presentamos consiste en una alarma que dispara y se bloquea cuando la luz incide por...
Este circuito enciende y apaga una carga, que en el ejemplo es una lámpara, cuando presionamos por un momento...