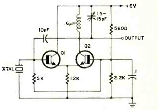
Este oscilador para el quinto armónico de un cristal se encontró en una revista de Radio Electronics de mayo de 1970. Los transistores son del tipo RF y el transistor determina la frecuencia máxima alcanzada.
La finalidad del circuito de la figura 1 es alimentar una carga con una corriente constante hasta 2 A a...
El circuito que presentamos consiste en una alarma que dispara y se bloquea cuando la luz incide por...
Este circuito enciende y apaga una carga, que en el ejemplo es una lámpara, cuando presionamos por un momento...