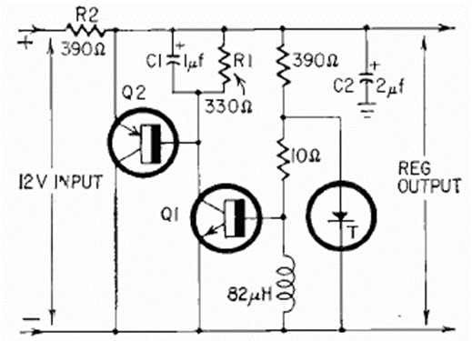
Sí, los diodos túnel también se pueden utilizar en reguladores de tensión, como se muestra en este circuito de Radio Electronics de agosto de 1964. Los transistores son de la época, pero el circuito se puede implementar con equivalentes modernos.

Sí, los diodos túnel también se pueden utilizar en reguladores de tensión, como se muestra en este circuito de Radio Electronics de agosto de 1964. Los transistores son de la época, pero el circuito se puede implementar con equivalentes modernos.
