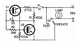
Este circuito cuyos transistores dependen de la corriente de la lámpara fue encontrado en la revista Radio Electronics de febrero de 1962. La frecuencia depende del capacitor.

Este circuito cuyos transistores dependen de la corriente de la lámpara fue encontrado en la revista Radio Electronics de febrero de 1962. La frecuencia depende del capacitor.
