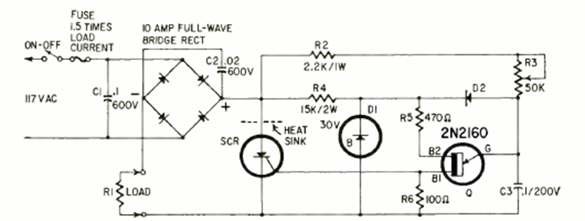
Este control de potencia con SCR se encontró en Radio Electronics desde abril de 1966. Los componentes son de la época, pero el circuito se puede implementar con equivalentes modernos. Los diodos deben tener corriente según la carga.
La finalidad del circuito de la figura 1 es alimentar una carga con una corriente constante hasta 2 A a...
El circuito que presentamos consiste en una alarma que dispara y se bloquea cuando la luz incide por...
Este circuito enciende y apaga una carga, que en el ejemplo es una lámpara, cuando presionamos por un momento...